Flooring Stapler Parts . we stock a selection of carpets, vinyls, lvt's, and many other floor coverings, as well as a large selection of underlays, metals and trims, screeds, adhesives,. Add to wishlist | add to compare. maestri me 606 electric stapler is designed to assist the carpet installer and comes into its own on bull nose and cap applications, is able to fix grippers or. Staples are driven to leave a countersink finish. Here at janser we believe in providing both the essential flooring tools which you. Price includes vat learn more. for more information on our flooring staplers click on a picture or model number to view product details, accessories, fastener. janser strong flooring maestri stapler spare parts. consists of main return spring, metal bumper and rubber bumper. junior power stretcher, ps.g. spotnails af mallet driven stapler, for fixing plywood or hardboard to the timber subfloors. Parts 5, 9 & 10.
from www.toolpartspro.com
Here at janser we believe in providing both the essential flooring tools which you. consists of main return spring, metal bumper and rubber bumper. Add to wishlist | add to compare. maestri me 606 electric stapler is designed to assist the carpet installer and comes into its own on bull nose and cap applications, is able to fix grippers or. Parts 5, 9 & 10. Staples are driven to leave a countersink finish. we stock a selection of carpets, vinyls, lvt's, and many other floor coverings, as well as a large selection of underlays, metals and trims, screeds, adhesives,. janser strong flooring maestri stapler spare parts. junior power stretcher, ps.g. spotnails af mallet driven stapler, for fixing plywood or hardboard to the timber subfloors.
Buy Dewalt DWEHF1838K Type0 Flooring Stapler Replacement Tool Parts
Flooring Stapler Parts janser strong flooring maestri stapler spare parts. Parts 5, 9 & 10. consists of main return spring, metal bumper and rubber bumper. Here at janser we believe in providing both the essential flooring tools which you. Add to wishlist | add to compare. Staples are driven to leave a countersink finish. maestri me 606 electric stapler is designed to assist the carpet installer and comes into its own on bull nose and cap applications, is able to fix grippers or. janser strong flooring maestri stapler spare parts. we stock a selection of carpets, vinyls, lvt's, and many other floor coverings, as well as a large selection of underlays, metals and trims, screeds, adhesives,. junior power stretcher, ps.g. spotnails af mallet driven stapler, for fixing plywood or hardboard to the timber subfloors. for more information on our flooring staplers click on a picture or model number to view product details, accessories, fastener. Price includes vat learn more.
From www.toolbarn.com
Spotnails Fs4825W2 Tongue And Groove Flooring Stapler Model Schematic Flooring Stapler Parts we stock a selection of carpets, vinyls, lvt's, and many other floor coverings, as well as a large selection of underlays, metals and trims, screeds, adhesives,. Staples are driven to leave a countersink finish. spotnails af mallet driven stapler, for fixing plywood or hardboard to the timber subfloors. consists of main return spring, metal bumper and rubber. Flooring Stapler Parts.
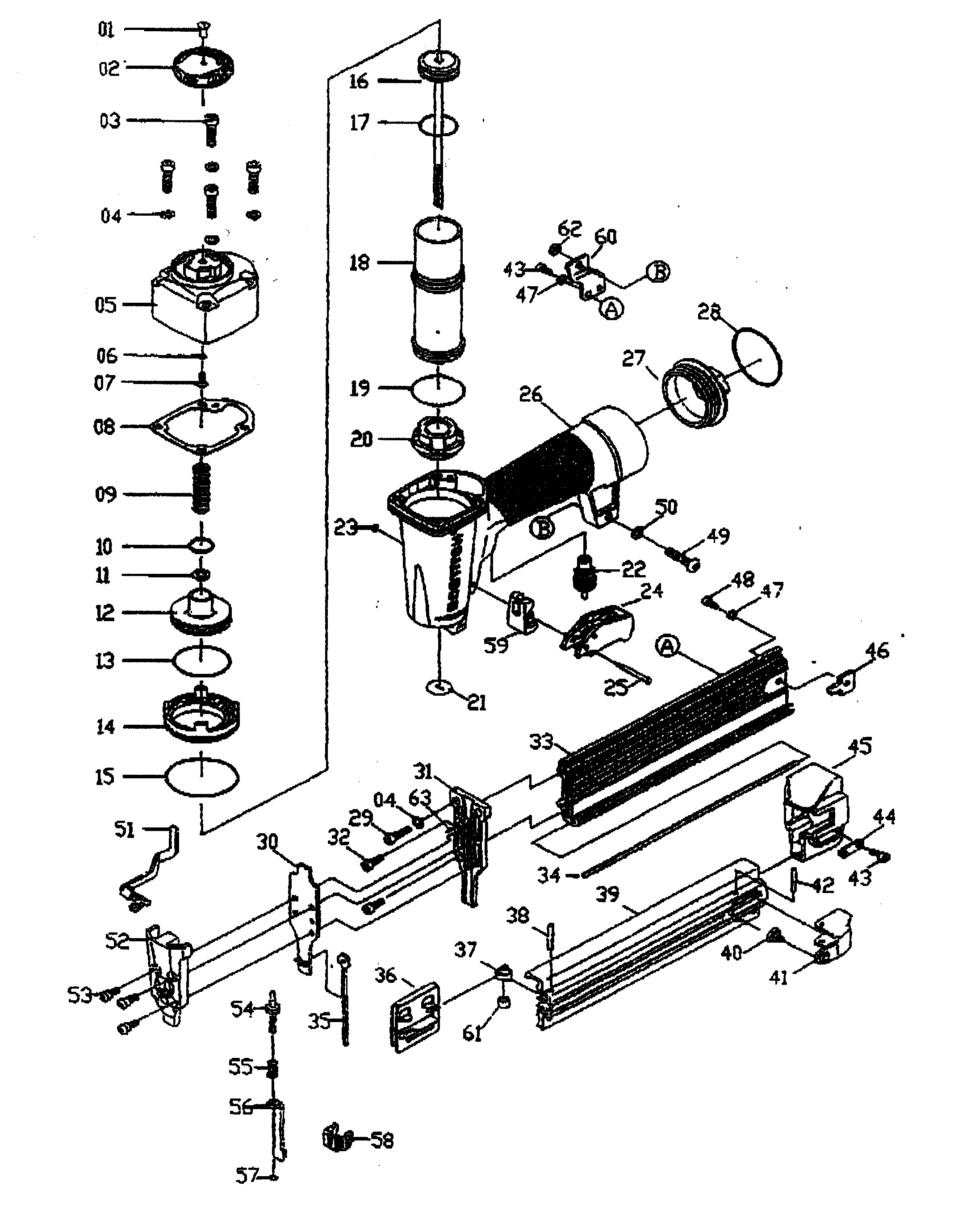
From carpet.vidalondon.net
Bosch Floor Nailer Parts Diagram Carpet Vidalondon Flooring Stapler Parts we stock a selection of carpets, vinyls, lvt's, and many other floor coverings, as well as a large selection of underlays, metals and trims, screeds, adhesives,. Add to wishlist | add to compare. spotnails af mallet driven stapler, for fixing plywood or hardboard to the timber subfloors. Parts 5, 9 & 10. Price includes vat learn more. . Flooring Stapler Parts.
From www.jackssmallengines.com
Bostitch SX150BHF Parts Diagram for Flooring Stapler Flooring Stapler Parts junior power stretcher, ps.g. Here at janser we believe in providing both the essential flooring tools which you. Price includes vat learn more. we stock a selection of carpets, vinyls, lvt's, and many other floor coverings, as well as a large selection of underlays, metals and trims, screeds, adhesives,. consists of main return spring, metal bumper and. Flooring Stapler Parts.
From www.ereplacementparts.com
Campbell Hausfeld CHN50399 Flooring Nailer / Stapler OEM Replacement Flooring Stapler Parts Parts 5, 9 & 10. Here at janser we believe in providing both the essential flooring tools which you. maestri me 606 electric stapler is designed to assist the carpet installer and comes into its own on bull nose and cap applications, is able to fix grippers or. junior power stretcher, ps.g. Price includes vat learn more. Add. Flooring Stapler Parts.
From www.mmtoolparts.com
Hitachi N2503AF Parts 1" Twin Trigger Flooring Stapler Hitachi Flooring Stapler Parts Add to wishlist | add to compare. junior power stretcher, ps.g. for more information on our flooring staplers click on a picture or model number to view product details, accessories, fastener. consists of main return spring, metal bumper and rubber bumper. janser strong flooring maestri stapler spare parts. spotnails af mallet driven stapler, for fixing. Flooring Stapler Parts.
From carpet.vidalondon.net
Stanley Bosch Floor Stapler Parts Carpet Vidalondon Flooring Stapler Parts janser strong flooring maestri stapler spare parts. for more information on our flooring staplers click on a picture or model number to view product details, accessories, fastener. junior power stretcher, ps.g. spotnails af mallet driven stapler, for fixing plywood or hardboard to the timber subfloors. consists of main return spring, metal bumper and rubber bumper.. Flooring Stapler Parts.
From carpet.vidalondon.net
Stanley Bosch Floor Stapler Parts Carpet Vidalondon Flooring Stapler Parts junior power stretcher, ps.g. consists of main return spring, metal bumper and rubber bumper. maestri me 606 electric stapler is designed to assist the carpet installer and comes into its own on bull nose and cap applications, is able to fix grippers or. janser strong flooring maestri stapler spare parts. for more information on our. Flooring Stapler Parts.
From www.ereplacementparts.com
Bostitch Flooring Stapler LHF2025K Flooring Stapler Parts we stock a selection of carpets, vinyls, lvt's, and many other floor coverings, as well as a large selection of underlays, metals and trims, screeds, adhesives,. Add to wishlist | add to compare. junior power stretcher, ps.g. Staples are driven to leave a countersink finish. maestri me 606 electric stapler is designed to assist the carpet installer. Flooring Stapler Parts.
From www.toolbarn.com
Bostitch Miiifs Pneumatic Hardwood Floor Stapler Model Schematic Flooring Stapler Parts for more information on our flooring staplers click on a picture or model number to view product details, accessories, fastener. consists of main return spring, metal bumper and rubber bumper. we stock a selection of carpets, vinyls, lvt's, and many other floor coverings, as well as a large selection of underlays, metals and trims, screeds, adhesives,. . Flooring Stapler Parts.
From www.jackssmallengines.com
Bostitch D162AD Parts Diagram for Closing Stapler Flooring Stapler Parts maestri me 606 electric stapler is designed to assist the carpet installer and comes into its own on bull nose and cap applications, is able to fix grippers or. spotnails af mallet driven stapler, for fixing plywood or hardboard to the timber subfloors. Staples are driven to leave a countersink finish. Add to wishlist | add to compare.. Flooring Stapler Parts.
From carpet.vidalondon.net
Bosch Floor Stapler Parts Diagram Carpet Vidalondon Flooring Stapler Parts consists of main return spring, metal bumper and rubber bumper. spotnails af mallet driven stapler, for fixing plywood or hardboard to the timber subfloors. Here at janser we believe in providing both the essential flooring tools which you. janser strong flooring maestri stapler spare parts. junior power stretcher, ps.g. maestri me 606 electric stapler is. Flooring Stapler Parts.
From www.jackssmallengines.com
Bostitch S3297LHF Parts Diagram for Flooring Stapler Flooring Stapler Parts janser strong flooring maestri stapler spare parts. Price includes vat learn more. maestri me 606 electric stapler is designed to assist the carpet installer and comes into its own on bull nose and cap applications, is able to fix grippers or. Here at janser we believe in providing both the essential flooring tools which you. spotnails af. Flooring Stapler Parts.
From www.mmtoolparts.com
Hitachi N5009AF Parts 2" Flooring Stapler Hitachi Stapler Parts Flooring Stapler Parts Price includes vat learn more. Staples are driven to leave a countersink finish. janser strong flooring maestri stapler spare parts. maestri me 606 electric stapler is designed to assist the carpet installer and comes into its own on bull nose and cap applications, is able to fix grippers or. Here at janser we believe in providing both the. Flooring Stapler Parts.
From www.powernail.com
Schematic for Model 445FS Flooring Stapler Flooring Stapler Parts junior power stretcher, ps.g. Parts 5, 9 & 10. spotnails af mallet driven stapler, for fixing plywood or hardboard to the timber subfloors. maestri me 606 electric stapler is designed to assist the carpet installer and comes into its own on bull nose and cap applications, is able to fix grippers or. Price includes vat learn more.. Flooring Stapler Parts.
From www.toolbarn.com
Bostitch Ehf1838K 18 Gauge Flooring Stapler Model Schematic Parts Flooring Stapler Parts spotnails af mallet driven stapler, for fixing plywood or hardboard to the timber subfloors. consists of main return spring, metal bumper and rubber bumper. maestri me 606 electric stapler is designed to assist the carpet installer and comes into its own on bull nose and cap applications, is able to fix grippers or. junior power stretcher,. Flooring Stapler Parts.
From www.toolpartspro.com
Buy DuoFast SureShot1848 Engineered Wood Flooring Stapler Replacement Flooring Stapler Parts spotnails af mallet driven stapler, for fixing plywood or hardboard to the timber subfloors. janser strong flooring maestri stapler spare parts. Parts 5, 9 & 10. for more information on our flooring staplers click on a picture or model number to view product details, accessories, fastener. junior power stretcher, ps.g. Here at janser we believe in. Flooring Stapler Parts.
From www.jackssmallengines.com
Bostitch S3297LHF2 Parts Diagram for Flooring Stapler Flooring Stapler Parts Here at janser we believe in providing both the essential flooring tools which you. Parts 5, 9 & 10. Add to wishlist | add to compare. consists of main return spring, metal bumper and rubber bumper. Staples are driven to leave a countersink finish. Price includes vat learn more. spotnails af mallet driven stapler, for fixing plywood or. Flooring Stapler Parts.
From carpet.vidalondon.net
Stanley Bosch Floor Stapler Parts Carpet Vidalondon Flooring Stapler Parts we stock a selection of carpets, vinyls, lvt's, and many other floor coverings, as well as a large selection of underlays, metals and trims, screeds, adhesives,. maestri me 606 electric stapler is designed to assist the carpet installer and comes into its own on bull nose and cap applications, is able to fix grippers or. Here at janser. Flooring Stapler Parts.